基于k8凯发TX4130设计的POE电源DC-DC开关降压恒压芯片DEMO说明

来源:k8凯发 时间:2022-05-16

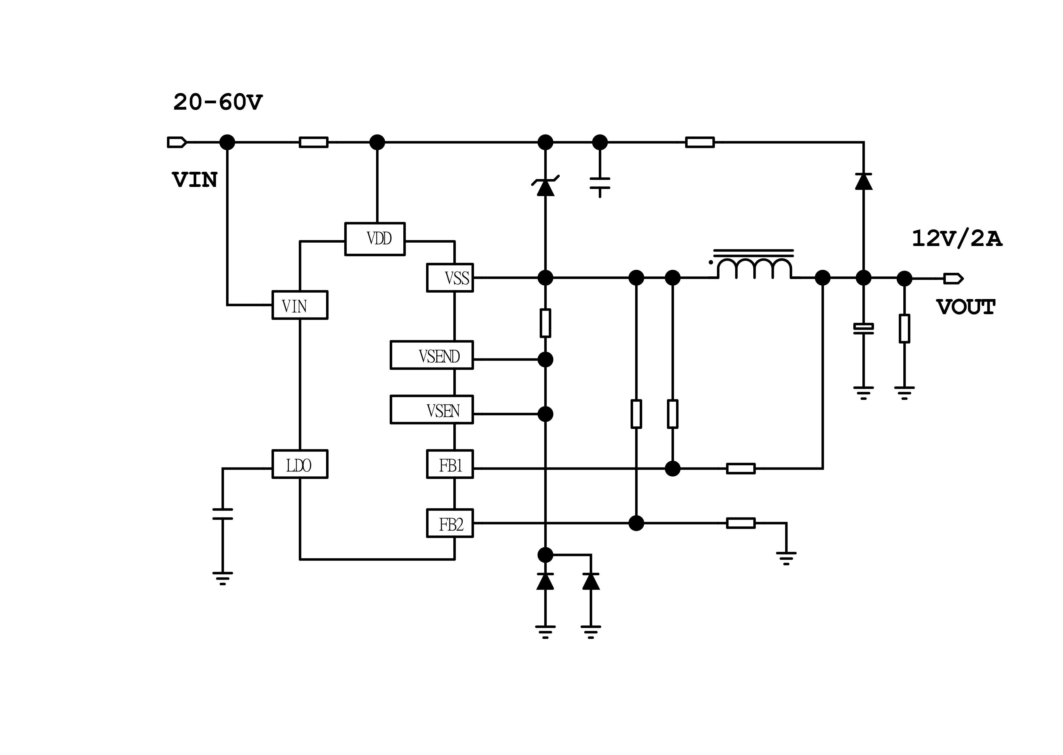
TX4130原理图

TX4130 原理图

TX4130电路板

TX4130电路板

TX4130DEMO实测

TX4130DEMO实测


基本描述:

    本 POE电源 为 TX4130 制作的演示板,用于 DC 输入 20-60V,输出电压12V,输出电流 2.0A 的应用演示,最高转换效率高达 85%。

    本电路固定工作频率是:142 KHz。输出 12V/2.0A ,输出电流可调,输出电压可调。


TX4130 DEMO 板实测数据和转换效率参考

TX4130 DEMO 板实测数据和转换效率参考