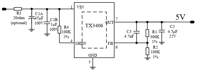
典型应用电路图:

image.png

管脚和封装图:

 

image.png

 

 

输入电压 :4.5V - 75V

输出电压 :1.25V - 40V

输出电流 :50mA - 100mA

静态电流 :10uA

信噪比 :50dB

输入输出压差 :2V

封装:

ESOP - 8

特点:高输入电压、低功耗